四川龙源智造水处理设备有限公司欢迎您!
  • 公司座机
  • 028-81291392
  • 技术手机
  • 18123218647
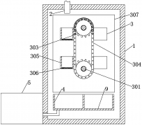
智能化生物化学污水处理工艺

智能化生物化学污水处理工艺

本发明提供智能化的生物化学污水处理装置,包括污水收集池,机械格栅,第一连接管,水泵,第二连接管,第一阀门,沉淀箱,排淤管,排淤阀,生物膜反应箱,化学反应池,搅拌机...
2020-08-20

雨污合流、雨污混流管道分流管网系统

雨污合流、雨污混流管道分流管网系统

本发明涉及旨在提供雨污合流、雨污混流管道分流管网系统,其包括雨水调节处理设备,雨污合流、雨污混流管道的入口连接有外来供水设备,雨污合流、雨污混流管道的出口与雨水调...
2020-08-20

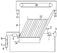
新型垂直流人工湿地

新型垂直流人工湿地

一种新型垂直流人工湿地,其包括池体,所述池体内部由下至上分别设置有承托层、生物质填料层、陶粒层,陶粒层的上部设置有布水系统,所述的布水系统包括进水系统和补水系统,...
2020-08-20

高效微纳米气浮污水处理工艺

高效微纳米气浮污水处理工艺

本发明提供一种高效微纳米气浮污水处理装置,涉及污水处理技术领域。该高效微纳米气浮污水处理装置,包括高效气液混合泵、负压流量控制器、微纳米溶气制备器、微涡旋反应器、...
2020-08-20

污水处理厂沼气制氢系统及方法

污水处理厂沼气制氢系统及方法

本发明公开了一种污水处理厂沼气制氢系统及方法,厌氧发酵池的沼气出口经脱硫吸附装置及氮氧脱除装置与还原反应器的入口相连通,还原反应器的出口与第一分离器的入口相连通,...
2020-08-20

密闭多重循环式污水处理工艺

密闭多重循环式污水处理工艺

本实用新型实施例公开了一种密闭多重循环式污水处理装置,包括箱体和与箱体顶部连通的进水管道,所述箱体内顶部设置有初选装置,所述初选装置的下方设置有安装在箱体内壁上的...
2020-08-20

  1. 技术人员会给您提供详细的解答和资料

  2. 您可以留下您的联系方式,技术部10分钟之内与您联系
  3. (系统只能识别正确的手机号码)请确保联系方式准确无误,或您也可以联系我们
  4. 电话:    18123218647
  5. 个人信息安全:
  6. 根据《中华人民共和国网络安全法》第四十条至第四十五条,保护个人信息安全是我们的义务。
  • 联系我们
  • 电话:028-81291392
  • 手机:18123218647
  • 邮箱:349984202@qq.com
联系地址
  • 成都市龙泉驿区车城东六路五号
备案信息:蜀ICP备2020029655号